ElA ponver is measured with 6dB crest factor continuous pink noise in 8 hours
duration.
Max power is defined as 3dB higher than the nominal rating.
Sensitivity is measured as one meter at 2Vand 4 ohm nominal impedance.
All measurement of the speaker is done aiter a sufficient high level of 20Hz sine
wave test.
Xmax=[lWinding Depth-Magnetic Gap Depth)/2]
Product Description
| Specifications | ||
| Model | FA0525H | |
| Nominal diameter | in. | 5 |
| Power handling capacity | W | 40 |
| Max power | W | 80 |
| Nominal impedance | Ohm | 8 |
| Sensitivity(1W/1m) | dB | 88 |
| Frequency range | Hz | 60—5K |
| Voice coil diameter | mm/in | 25.5/1 |
| Coil material | Copper | |
| Former material | Fibreglass | |
| Cone material | PP | |
| Surround material | Rubber | |
| Gap height | mm/in | 6/0.24 |
| Voice coil winding height | mm/in | 11.7/0.46 |
| Chassis material | Aluminum | |
| THIELE & SMALL PARAMETERS | ||
| Fs | Hz | 63 |
| Re | Ohm | 6.45 |
| Qms | 7.77 | |
| Qes | 0.65 | |
| Qts | 0.59 | |
| Vas | L | 7.3 |
| Mms | gr | 10.86 |
| Cms | mm/N | 0.59 |
| BL | Tm | 6.55 |
| Le | mH | 0.388 |
| Xmax | mm | 2.85 |
| η0 | % | 0.27 |
| Sd | cm2 | 93.3 |
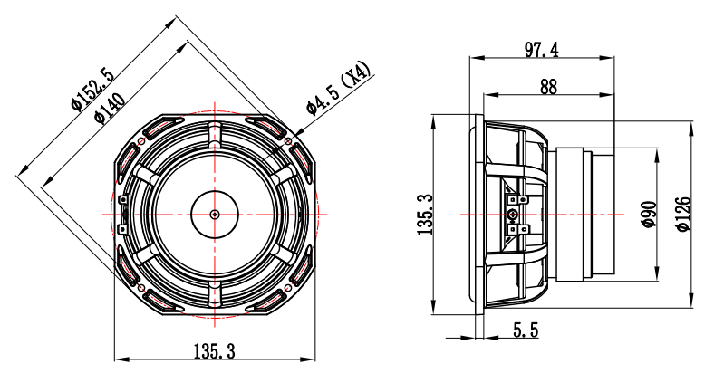
| Overall diameter | mm | 152.5 |
| Bolt circle diameter | mm | 140 |
| Baffle cut-out diameter | mm | 126 |
| Overall depth | mm | 97.4 |
| Net weight | kg | 1.6 |
| ·EIA power is measured with 6dB crest factor continuous pink noise in 8 hours | ||
| duration. | ||
| ·Max power is defined as 3dB higher than the nominal rating. | ||
| ·Sensitivity is measured as one meter at 2.83V and 8 ohm nominal impedance. | ||
| ·All measurement of the speaker is done after a sufficient high level of 20Hz sine | ||
| wave test. | ||
| ·Xmax=[(Winding Depth-Magnetic Gap Depth)/2] | ||



Request a Quotation